Ваш город:
Асбест
Ваш город Асбест?
Да Выбрать другой
Заказать звонок
Фильтр

Цилиндрический редуктор Ц2-580Ш

Описание

Номинальное передаточное отношение, i 8 10 12,5 16 20 25 31,5 40 50
Номинальный крутящий момент на тихоходном валу, Т, Нм  14000
Номинальная частота вращения быстроходного вала, с-1 (об/мин) 25 (1500)
Номинальная радиальная консольная нагрузка, приложенная в середине посадочной поверхности выходного конца вала, Н  быстроходного 5600 3150
тихоходноГо цилиндричес кий конец 40000
конец вала в виде части зубчатой полумуфты 50000
Масса, кг 700
Ориентировочный объем масла, л  60

 

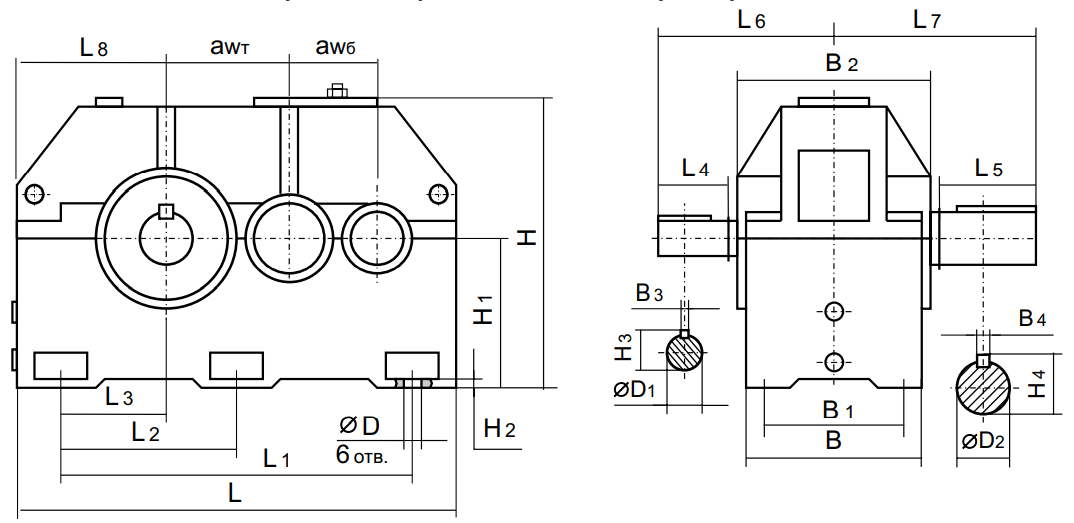
awб awт L L1 L2 L3 L4 L5 L6 L7 L8 D D1 D2
225 355 1170 850 425 250 110 210 320 440 400 28 55m6 125m6

 

H H1 H2 H3 H4 B B1 B2 B3 B4
740 375 35 59 132 360 280 435 16 32

 

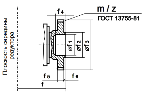
Размеры конца тихоходного вала в виде зубчатой полумуфты

f f1 f2 f3 f4 f5 f6 m z Индекс муфты
310 110F8 170d11 294 65 35 12,5 7 40 М
322 170F8 260d11 348 68 40 12 6 56 М1

 

Кинематическая схема

Назад
Выбор города