Ваш город:
Асбест
Ваш город Асбест?
Да Выбрать другой
Заказать звонок
Фильтр

Цилиндрический горизонтальный редуктор РМ-350Ш

Описание

Номинальное передаточное отношение, i 50 40 31,5 22,4 20 16 12,5 10 8
Ном. част. вращ. быстроход. вала, с-1 (об/мин) 25 (1500)
Номинальный крутящий момент на тихоходном валу, Т, Н м  ПВ 15% 2042 1996 2147 1933 1932 1816 1691 1714 1415
ПВ 25% 1794 1740 1866 1680 1684 1575 1465 1384 1232
ПВ 40% 1516 1484 1585 1427 1436 1344 1248 1173 1059
ПВ 100% 588 588 602 610 600 692 684 626 687

 

awб awт L L1 L2 l l1 l2 l3 l4 l5
350 200 710 260 268,5 415 310 60 60 238 280

 

B B1 B2 H H1 h d n отв.
270 250 290 400 200 23 17 4

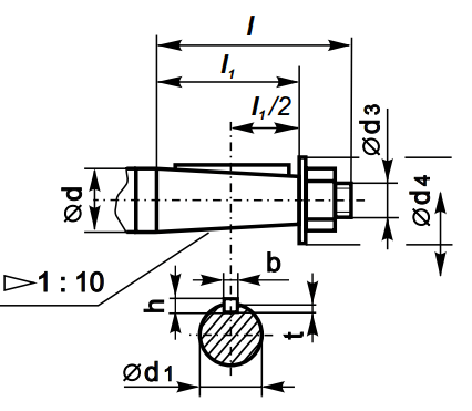
Размеры конца быстроходного вала

d d1 d3 d4  
40 35,9 М242 63  
l l1 b h t
110 82 10 8 5

 

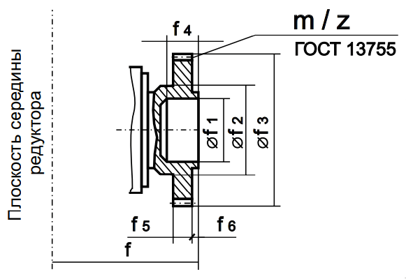
Размеры конца тихоходного вала

d m6 d 1 b l t
55 65 16 82 60

 

Размеры конца тихоходного вала в виде зубчатой полумуфты

m z b L L1 k b d F7 d1 f9
3 48 25 189,5 16 24,5 45 90 110

Кинематическая схема

Назад
Выбор города