Ваш город:
Асбест
Ваш город Асбест?
Да Выбрать другой
Заказать звонок
Фильтр

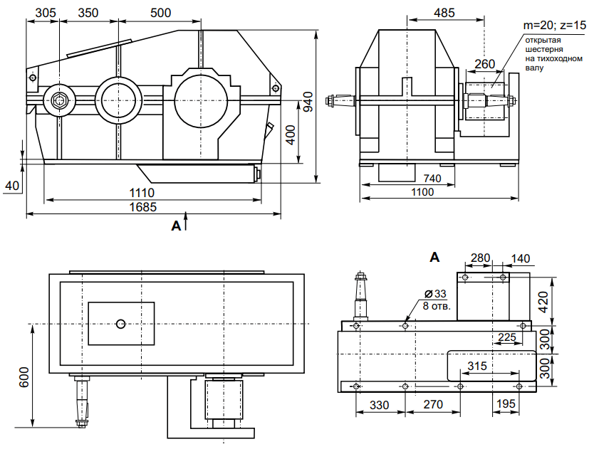
ЦИЛИНДРИЧЕСКИЙ РЕДУКТОР ГК-850

Описание

Номинальное передаточное отношение, i Номинальная частота вращения быстроходного вала, об/мин Номинальный крутящий момент на тихоходном валу при среднем (С) режиме работы (ПВ 25%), Н?м Масса, кг Ориентировочный объем масла, л.
31,5 750 48000 2250 60

Конический конец быстроходного вала

 

 

Примерные обозначения при заказе продукции

ГК-850-26,9-11-У1, где:

  • ГК – Тип редуктора;
  • 850 – Межосевое расстояние второй ступени;
  • 26,9 – Номинальное передаточное число;
  • 11 – Вариант сборки;
  • У1 – Климатическое исполнение и категория размещения.
Назад
Выбор города