Ваш город:
Асбест
Ваш город Асбест?
Да Выбрать другой
Заказать звонок
Фильтр

Редукторы 1ЦУ и ЦУ 100 (160, 200, 250)

Описание

Тип Межосевое расстояние Номинальный крутящий момнт, Нм Номинальная радиальная нарузка на вал, Н Масса не более, кг КПД
Редуктор ЦУ-100 100 315 630 2240 27 0,98
Редуктор ЦУ-160 160 1250 1250 4500 77,5 0,98
Редуктор ЦУ-200 200 2500 2800 6300 135 0,98
Редуктор ЦУ-250 250 5000 4000 9000 210 0,98

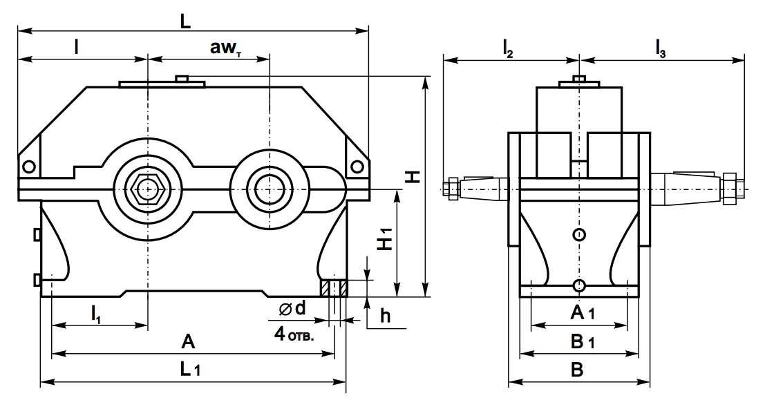
Габаритные и присоединительные размеры

Типоразмер awб L L1 l l1 l2 l3 H H1 h A A1 B B1 d
1ЦУ-100 100 315 265 132 85 136 155 224 112 22 224 95 140 132 15
1ЦУ-160 160 475 412 195 136 218 218 335 170 28 355 125 185 175 24
1ЦУ-200 200 580 500 236 165 230 265 425 212 36 437 135 212 200 24
1ЦУ-250 250 710 615 290 212 280 315 530 265 40 545 185 265 250 28

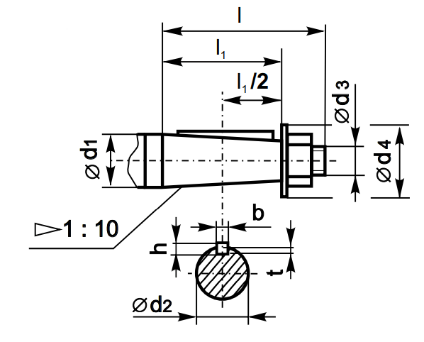
Размеры выходных и входных концов валов

Типоразмер Вал d1 d2 d3 d4 l l1 b h t
1ЦУ-100 Быстроходный 25 22,9 М16х1,5 45 60 42 5 6 3
1ЦУ-160 45 40,9 М30х2,0 75 110 82 12 8 5
1ЦУ-200 55 50,9 М36х3,0 88 110 82 14 11 5,5
1ЦУ-250 70 64,75 М48х3,0 100 140 105 18 14 7
1ЦУ-100 Тихоходный 35 32,1 М20х1,5 50 80 58 6 5 3,5
1ЦУ-160 55 50,9 М36х3,0 88 110 82 14 9 5,5
1ЦУ-200 70 64,75 М48х3,0 100 140 105 18 9 7
1ЦУ-250 90 83,5 М64х4,0 130 170 130 22 11 9

 

Варианты сборки

Условное обозначение:

1 ЦУ-200-2,5-12-Ц-2-У2 ТУ2-056-243-86, где:

  • 1ЦУ – Тип редуктора;
  • 200 – Межосевое расстояние второй ступени;
  • 2,5 – Номинальное передаточное число;
  • 12 – Вариант сборки;
  • Ц -Исполнение с цилиндричским концом вала;
  • 2 – Категория точности по ГОСТ Р50891-96;
  • У2 – Климатическое исполнение и категория размещения.
Назад
Выбор города