Ваш город:
Асбест
Ваш город Асбест?
Да Выбрать другой
Заказать звонок
Фильтр

Редуктор Ц-200Н (250Н, 300Н)

Описание

 

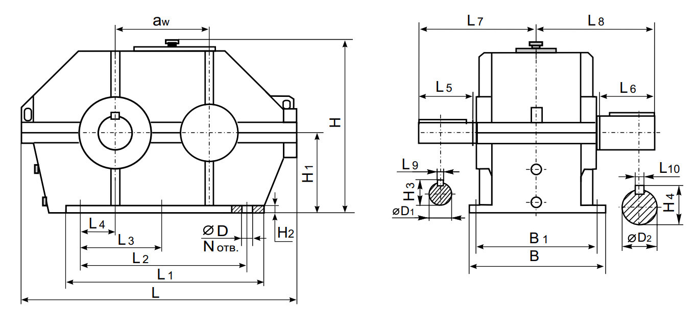
Типоразмер aw L L1 L2 L3 L4 L5 L6 L7 L8 L9 L10
Ц-200Н 200 623 425 375 90 82 105 233 257 12 18
Ц-250Н 250 795 570 480 110 105 130 291,5 317 18 22
Ц-300Н 300 900 635 545 265 125 105 130 291,5 317 18 22

 

Типоразмер oD oD1 oD2 H H1 H2 H3 H4 N отв. B B1
Ц-200Н 17 40k6 65m6 458 225 20 44.4 71.4 4 300 250
Ц-250Н 22 60m6 85m6 540 265 25 66 93 4 375 325
Ц-300Н 22 60m6 85m6 640 315 25 66 93 6 410 350

Размеры конических концов валов

Типоразмер a1 a2 a3 a4 a5 oa6 oa7 a8 oa9
Ц-200Н 110 82 41 10 39,2 35,9 40 261 М24×2
Ц-250Н 140 105 52,5 16 58,8 54,75 60 326,5 М42×3
Ц-300Н 140 105 52,5 16 58,8 54,75 60 326,5

 

Типоразмер b1 b2 b3 b4 b5 ob6 ob7 b8 ob9
Ц-200Н 140 105 52,5 16 63,75 59,75 65 292 М42×3
Ц-250Н 170 130 65 20 83 78,5 85 357 М56×4
Ц-300Н 170 130 65 20 83 78,5 85 357

 

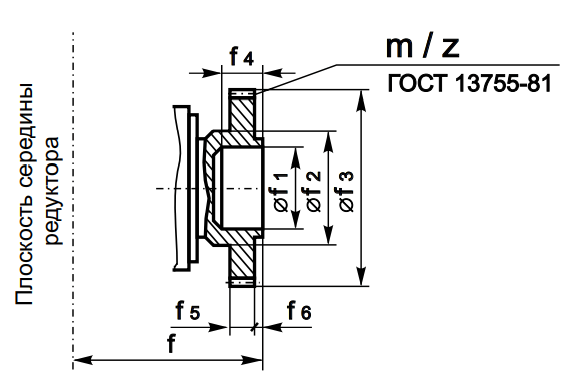
Размеры конца тихоходного вала в виде зубчатой полумуфты

Типоразмер f of1 of2 of3 f4 f5 f6 m z
Ц-200Н 219 80 F8 100 126 45 20 15 3 40
Ц-250Н 266,5 90 F8 110 150 48 25 14 48
Ц-300Н 325 110 F8 130 174 55 25 17,5 56

 

Варианты сборки

Примерные обозначения при заказе продукции

Ц-200Н-3,15-21-КвхЦвых-У1, где:

  • Ц – Тип редуктора;
  • 200 – Межосевое расстояние второй ступени;
  • Н – Передача Новикова;
  • 3,15 – Номинальное передаточное число;
  • 21 – Вариант сборки;
  • Квх – Конический входной вал;
  • Цвых – Цилиндрический выходной вал;
  • У1 – Климатическое исполнение и категория размещения
Назад
Выбор города