Ваш город:
Асбест
Ваш город Асбест?
Да Выбрать другой
Заказать звонок
Фильтр

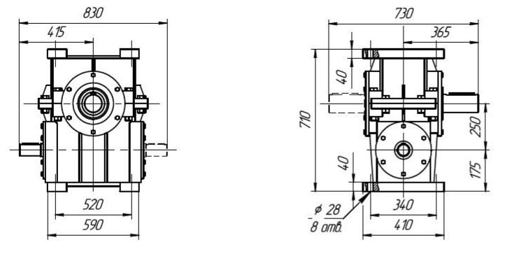
Редуктор Ч-250

Описание

Габаритные размеры Ч-250

С опорным фланцем

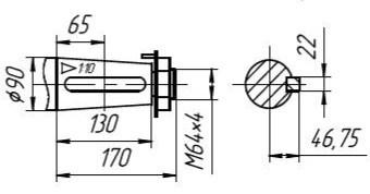
Входной вал «Квн»

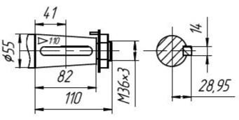
Входной вал «Кнар»

Входной вал «Ц»

Выходной вал «Квн»

Выходной вал «Кнар»

Выходной вал «Ц»

 

Назад
Выбор города