Ваш город:
Асбест
Ваш город Асбест?
Да Выбрать другой
Заказать звонок
Фильтр

Редуктор МПЧ-63

Описание

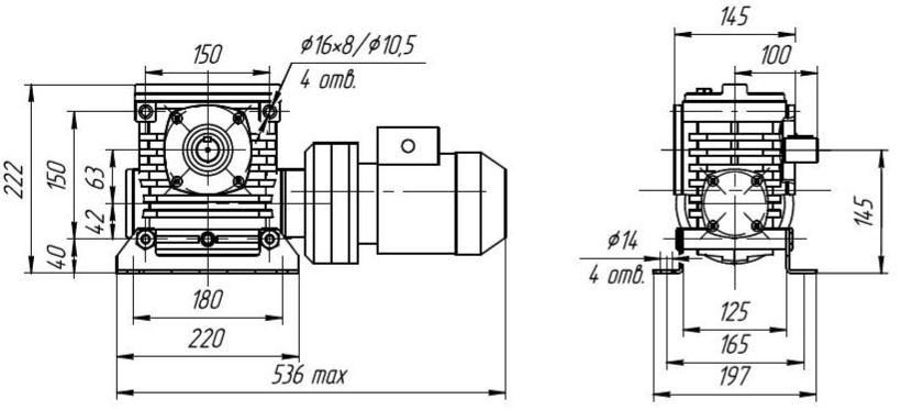
Габаритные размеры

С опорным фланцем

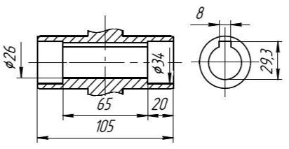
Выходной вал «Квн»

Выходной вал «Ц»

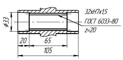
Выходной вал с шлицевым отверстием

Выходной вал с шпоночным отверстием

Назад
Выбор города