Ваш город:
Асбест
Ваш город Асбест?
Да Выбрать другой
Заказать звонок
Фильтр

Цилиндрический мотор-редуктор 4МЦ2С-63

Описание

Описание товара временно отсутствует

Характеристики

Технические характеристики 4МЦ2С-63

Номинальная частота вращения выходного вала, об/минНоминальный крутящий момент на тихоходном валу, H*мРадиальная консольная нагрузка на конце тихоходного вала, НМасса без смазки, не более, кгТипоразмер двигателяМощность двигателяКПД мотор-редуктора, %, не менее
28 175 3300 21 АИР71В6Р3 0,55 66
35,5 140 3000 21 АИР71В6Р3 66
190 3500 27 АИР80А6Р3 0,75 68
45 113 2600 21 АИР71В6Р3 0,55 66
154 3100 27 АИР80А6Р3 0,75 68
56 96 2400 21 АИР71А4Р3 0,55
140 3000 АИР71В4Р3 0,75 73
206 3400 27 АИР80А4Р3 1,1
71 75 2100 21 АИР71А4Р3 0,55 72
105 2600 АИР71В4Р3 0,75 73
148 3000 27 АИР80А4Р3 1,1
90 57 1800 21 АИР71А4Р3 0,55 72
78 2200 АИР71В4Р3 0,75 73
112 2600 27 АИР80А4Р3 1,1
153 3100 АИР80В4Р3 1,5 75
112 47 1700 21 АИР71А4Р3 0,55 72
65 2000 АИР71В4Р3 0,75 73
92 2300 27 АИР80А4Р3 1,1
128 2400 АИР80В4Р3 1,5 75
187 3400 32 АИР90L4Р3 2,2 78
125 43 1600 21 АИР71А4Р3 0,55 72
59 1900 АИР71В4Р3 0,75 73
84 2300 27 АИР80А4Р3 1,1
114 2600 АИР80В4Р3 1,5 75
159 3100 АИР80В2Р3 2,2 80
140 37 1500 21 АИР71А4Р3 0,55 72
52 1800 АИР71В4Р3 0,75 73
73 2100 27 АИР80А4Р3 1,1
101 2500 АИР80В4Р3 1,5 75
149 3100 АИР80В2Р3 2,2 80
180 27 1300 16 АИР63В2 0,55 72
36 1500 21 АИР71А2Р3 0,75 75
53 1800 АИР71В2Р3 1,1
73 2100 27 АИР80А2Р3 1,5 74
107 2500 АИР80В2Р3 2,2 86
150 3000 32 АИР90L2Р3 3,0 81
224 22 1100 16 АИР63В2 0,55 72
29 1300 21 АИР71А2Р3 0,75 75
46 1700 АИР71В2Р3 1,1
63 1900 27 АИР80А2Р3 1,5 74
92 2400 АИР80В2Р3 2,2 86
125 2700 32 АИР90L2Р3 3,0 81
280 18 1000 16 АИР63В2 0,55 72
24 1200 21 АИР71А2Р3 0,75 75
36 1500 АИР71В2Р3 1,1
50 1700 27 АИР80А2Р3 1,5 74
73 2100 АИР80В2Р3 2,2 86
99 2400 32 АИР90L2Р3 3,0 81

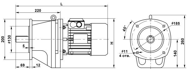
Габаритные и присоединительные размеры 4МЦ2С-63

Исполнение на лапах

Мотор редуктор МЦ2С-63. Исполнение на лапах

Тип электродвигателяLH
63B2 315 255
71В6;71В4 487
71А4; 71А2; 71В2
80В8; 80В6; 80В4; 80В2 517 265
80А6; 80А4 493
80A2 278
90L2; 90L4 538 275

Фланцевое исполнение

Мотор-редуктор 4МЦ2С-63. Фланцевое исполнение

Тип электродвигателяLH
63В2 315 255
71В6; 71В4 487
71А4:71А2:71В2
80В8; 80В6; 80В4; 80B2 517 265
80А6; 80А4 473
80А2 493
90L2 538 275

Варианты исполнения выходного вала мотор-редуктора

Конический выходной вал

Конический выходной вал мотор редуктора 4МЦ2С-63

Цилиндрический выходной вал

Цилиндрический выходной вал мотор редуктора 4МЦ2С-63

Монтажное исполнение мотор-редуктора

Монтажное исполнение 4МЦ2С 63

Характеристики

Похожие товары
Соосный цилиндрический мотор-редуктор 4МЦ2С-100

Мотор-редуктор 4МЦ2С-100 предназначен для работы с постоянной однонаправленной нагрузкой. Привод состоит из цилиндрического редуктора и электродвигателя (Able или Siemens) мощностью от 1,5 до 7,5 кВт. Агрегат обеспечивает передаточные числа в диапазоне 8-31,5.

Данный типоразмер — один из самых распространенных в серии 4МЦ2С.

Пример условного обозначения в заказе

Мотор-редуктор 4МЦ2С-100-71-5,5-G320-ЦУЗ-2-380 ТУ2.056.0221595.13-91

  • 4МЦ2С - тип мотор-редуктора
  • 100 - межосевое расстояние, мм
  • 71 - частота вращения выходного вала, об/мин
  • 5,5 - мощность электродвигателя, кВт
  • G320 - монтажное исполнение
  • ЦУ3 - цилиндрический выходной вал (Ц), климатическое исполнение (У), категория размещения (3)
  • 2 - категория точности
  • 380 - номинальное напряжение электросети, В
по запросу
Подробнее
Соосный цилиндрический мотор-редуктор 4МЦ2С-80

Мотор-редуктор 4МЦ2С-80 включает в себя две цилиндрические ступени и электродвигатель мощностью до 5,5 кВт. Мы комплектуем приводы недорогими, но надежными двигателями Able. По требованию заказчика агрегат может быть укомплектован моторами Siemens.

Пример условного обозначения в заказе

Мотор-редуктор 4МЦ2С-80-112-3-G140-ЦУЗ-2-380 ТУ2.056.0221595.13-91

  • 4МЦ2С - тип мотор-редуктора
  • 80 - межосевое расстояние, мм
  • 112 - частота вращения выходного вала, об/мин
  • 3 - мощность электродвигателя, кВт
  • G140 - монтажное исполнение
  • ЦУ3 - цилиндрический выходной вал (Ц), климатическое исполнение (У), категория размещения (3)
  • 2 - категория точности
  • 380 - номинальное напряжение электросети, В
по запросу
Подробнее
Соосный цилиндрический мотор-редуктор 4МЦ2С-125

Двухступенчатый цилиндрический мотор-редуктор 4МЦ2С-125 обеспечивает передаточные числа в диапазоне от 7,41 до 31,92. Привод рассчитан на продолжительную работу (режим S1) с постоянной нагрузкой 24 ч/сут. Мощность электродвигателя: 3 - 18,5 кВт. Максимальный крутящий момент — 1410 Н*м.

Мотор-редуктор 4МЦ2С-125 поставляется в двух монтажных исполнениях — с фланцем и на лапах. Исполнения выходного вала: конический, цилиндрический. Входной и выходной валы расположены соосно.

Пример условного обозначения в заказе

4МЦ2С-125-56-7,5-G310-ЦУЗ-2-380 ТУ2.056.0221595.13-91
4МЦ2С - тип мотор-редуктора
125 - межосевое расстояние, мм
56 - частота вращения выходного вала, об/мин
7,5 - мощность электродвигателя, кВт
G310 - монтажное исполнение
ЦУ3 - исполнение выходного вала (Ц), климатическое исполнение (У), категория размещения (3)
2 - категория точности
380 - номинальное напряжение электросети, В

по запросу
Подробнее
Назад
Выбор города